We Checkline Europe B.V. would like to use cookies and similar technologies in order to optimize your shopping experience and this requires your consent. By clicking on the "Accept cookies" button you agree to our use of cookies and similar technologies. If you do not agree, you can refuse the use or customize settings for the respective cookies by clicking on the button "Cookie Settings".You also have the possibility to specify that only certain cookies, which we use on our website, should be activated. This banner will be displayed until you have selected your cookie preferences. If you decide against the use of cookies, we will not use cookies nor similar technologies, except those that are essential for the proper functioning of the website. Click here for our privacy policy

G1072 Opening Force Fixture


The G1072 Opening Force Fixture is designed for use in the packaging industry.
It tests the force required to open flat folded cartons along their score lines.

This makes the G1072 ideal for numerous applications in the packaging, food and beverage, medical device, consumer products, and many other industries.
For example with programming the force required when setting up a packaging machine.

The fixture consists of an upper and lower die and has a maximum capacity of 250 N
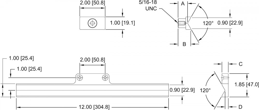
Upper die includes a 5/16-18M to #10-32F thread adapter and #10-32 M/M stud with jam nuts.
Lower die includes mounting hardware for the following test stands: ESM303, ESM1500/750 (w/AC1055 plate), ES30, TSC1000, TSF, ES10/ES20 (w/AC1060 plate).

It is recommended to use the G1072 fixture in a motorized test stand.

Features

  • Set of upper lower dies provided to accommodate various sized packaging materials
  • Fixtures are easily removable
  • Mounts directly to the following test frames (motorized test frames recommended): F105, F305, F505, F755, and F1505 test frames. ESM303, ESM750, ESM1500, ES30, TSC1000, and TSF test stands. Also compatible with models ES10/ES20 test stands when ordered with optional AC1060 mounting plate.

Dimensions

G1072 Opening Force Fixture
Dimensions-G1072 Opening Force Fixture


ABCD
0.75 [19.1]1.00 [25.4]0.50 [12.7]0.25 [6.4]
All sizes are in inch with metric sizes in [mm] behind.

Related Products

Series-5 Advanced Digital Force Gauge


  • ±0,1% accuracy
  • High-speed 7.000 Hz peak sampling rate
  • 1.000-point data memory with statistics and outputs

More details

Series-5  Advanced Digital Force Gauge

Series-7 Professional Digital Force Gauge


  • High-speed sampling rate: 14.000 Hz
  • Continuous data capture of up to 5.000 data points, at up to 14.000 Hz, downloadable to a PC
  • Individual data point memory for up to 5.000 data points, downloadable to PC

More details

Series-7  Professional Digital Force Gauge

Eye End Adapter For Mounting of Grips to Force Gauges / Sensors and Test Stands



More details

Eye End Adapter  For Mounting of Grips to Force Gauges / Sensors and Test Stands

Thread Adapters & Couplings


  • Different capacities available from 100 N to 9000 N
  • Connect gauges and load cells to fixtures with different thread
  • Connect male/male or female/female threads

More details

Thread Adapters & Couplings

G1071 Score Bend Fixture


  • Set of upper and lower dies produce 90° bend in corrugated board and plastics
  • Meets the requirements of TAPPI T829
  • Fixtures are easily removable

More details

G1071 Score Bend Fixture

Test Stand with EasyMESUR® F105 / F305 / F505 / F505H


  • Integrated Force Sensor: Seamless interface for the FS05 force sensor without cables.
  • Integrated Touchscreen Control Panel: For setting up, running, and analysing data via the Easy MESUR® software.
  • Test Creation Wizards: Guides that assist the user throughout the configuration process.

More details

Test Stand with EasyMESUR® F105 / F305 / F505 / F505H

Test stand with IntelliMESUR® F105 / F305 / F505 / F505H


  • Integrated Force Sensor: Provides a cable-free interface for the FS05 force sensor.
  • Integrated Touchscreen Control Panel: For setting up, running, and analysing data via the IntelliMESUR® control panel.
  • Integrated Motion Control and Data Collection: The Plug & Test® system allows seamless use of third-party load cells via the PTAF adapter.

More details

Test stand with IntelliMESUR® F105 / F305 / F505 / F505H

Test Stand with IntelliMESUR® F755 / F1505


  • Test Creation Wizard: Simplify test setup with step‑by‑step guides that guarantee optimal results without complications.
  • Integrated Motion Control and Data Collection: Enables precise control of displacement and real‑time data capture, enhancing test quality.
  • Versatile Plug & Test® System: Compatible with load cells from other manufacturers via the PTAF adapter, expanding your measurement options.

More details

Test Stand with IntelliMESUR® F755 / F1505

Test stand with EasyMESUR® F755 / F755S / F1505 / F1505S


  • Cable-Free FS05 Force Sensor Interface: Integrates a force sensor with an optimised cable-free interface for the FS05, ensuring interference-free measurements.
  • Integrated Touchscreen Control Panel: Provides an intuitive user experience for centralised test setup, execution, and monitoring.
  • Comprehensive Management via EasyMESUR®: Enables configuration, execution, and analysis of data directly through the integrated system, optimising workflow.

More details

Test stand with EasyMESUR® F755 / F755S / F1505 / F1505S
Downloads

Specifications

Maximimum Force250 N
Weight
Upper die: 0.03 kg
Lower die: 0.05 kg
Shipping Weight0,9 kg

Buy Now

Product

Product
Price
Quantity
136900
G1072 Opening force fixture set
€ 429,00 
All mentioned prices are excluding VAT & excluding shipment costs.
Availability: Available: 1 - 3 days, Delivery time: 1 - 3 weeks, special order request

Contact 
Request offer
Your information request is sent!
We'll contact you as soon as possible.
 Information