We Checkline Europe B.V. would like to use cookies and similar technologies in order to optimize your shopping experience and this requires your consent. By clicking on the "Accept cookies" button you agree to our use of cookies and similar technologies. If you do not agree, you can refuse the use or customize settings for the respective cookies by clicking on the button "Cookie Settings".You also have the possibility to specify that only certain cookies, which we use on our website, should be activated. This banner will be displayed until you have selected your cookie preferences. If you decide against the use of cookies, we will not use cookies nor similar technologies, except those that are essential for the proper functioning of the website. Click here for our privacy policy

TSTM(H)-DC Advanced Motorized Torque test stand


The advanced motorized TSTM-DC vertical and TSTMH-DC horizontal torque test stands are developed for a variety of test applications like fastener torque testing, bottle cap testing, torsion spring testing and more. Available in a horizontal and vertical setup both in 11,5 and 22 Nm versions. The 11,5 Nm versions can be purchased in a 60 rpm setup  instead of a 15 rpm setup.

Next to its standard torque loading plate with tapped holes for grip and fixture mounting this test stand offers expanded capabilities, including full PC control, programmable angle limits, programmable cycling, auto return, and other features. The modular design makes it possible to adapt the stand for a variety of test applications. The test stand is expandible with column extensions, factory retrofit upgrades and a wide variation of adapters and gripping fixtures.  

The TSTM(H)-DC motorized torque test stand features a controller with integrated angle display and output, programmable angle travel limits, PC control capability, programmable cycling, auto return, overload protection, password protection, and more.

To use the full potential of this test stand an I5 or I7 Indicator is required. This is a test stand only, In order to measure torque, a torque sensor, display and appropriate test fixtures are needed.

We are happy to assist you in finding the most suitable configuration for your needs. Please contact us for more information. 

Features

  • No speed variation with load
  • Maximum load: 11.5 Nm / Upgrade to 22.0 Nm is optional
  • Speed range: 0.01 - 15.00 RPM (0.05-90°/s)
  • Speed accuracy: ±0.2% of setting
  • CE mark
Model specifications
ModelMaximum torqueSpeed range
TSTM-DCE11.5 Nm0.01 – 15 RPM [0.05 – 90°/s]
TSTM-DC-1E22.0 Nm at 7.5 RPM, decreasing proportionally to 11,5Nm at 15 RPM0.01 – 15 RPM [0.05 – 90°/s]
TSTM-DC-2E2.8 Nm, increasing proportionally to 11.5 Nm at 15 RPM0.04 – 60 RPM [0.2 – 360°/s]
TSTMH-DCE11.5 Nm0.01 – 15 RPM [0.05 – 90°/s]
TSTMH-DC-1E22.0 Nm at 7.5 RPM, decreasing proportionally to 11,5Nm at 15 RPM0.01 – 15 RPM [0.05 – 90°/s]
TSTMH-DC-2E2.8 Nm, increasing proportionally to 11.5 Nm at 15 RPM0.04 – 60 RPM [0.2 – 360°/s]
The maximum torque depends, with the -1 and -2 versions, on the speed setting. It is reduced proportionately with the speed.
Examples:
Maximum torque at 60 RPM = 2.8 Nm (25 lbFin)
Maximum torque at 30 RPM = 5.6 Nm (50 lbFin)
Controller Features / Specifications

Computer Control:

  • A bi-directional RS-232 port is provided to interface with a PC. For full control from a PC a command set is provided.
    The following additional items are required for PC control:
    - Model Series 7i/5i force gauge
    - 09-1162 multi-function cable
    - 09-1056 serial cable

Digital Angle Indication:

  • Rotational travel is indicated in degrees or revolutions, with output of angle data.

Programmable Angle Limits:

  • The TSTM-DC can stop at or cycle between programmable upper and lower angle limits. Programmable in degrees or revolutions.

Overload Protection:

  • Protects the torque sensor against overload (requires a Series 7i/5i force gauge and 09-1162 multi-function cable). The desired percentage of full scale of the sensor can be user-programmed.

Auto-return:

  • The torque table rotates to an angle limit or torque set point (requires a Series 7i/5i force gauge and 09-1162 cable), stops, and reverses direction at full speed to the other angle limit or torque set point.

Cycling / Dwell Time:

  • Same as Auto-return, but with the ability to program the number of cycles up to 99,999 cycles. Dwell time allows the operator to program the length of time, up to 9,999.9 seconds, in 0.1 second intervals, for which the torque table pauses between cycles. Independent CW and CCW speeds may be programmed.

Programmable Button Functions:

  • Expands CW and CCW button operation to three user-configurable modes:
    1. Maintained (standard): short push produces continuous motion until STOP is pressed
    2. Momentary: torque table rotates only while the button is pressed
    3. Auto: short push produces maintained motion, while holding the button down will produce momentary motion

Independent Speeds:

  • Configurable speeds for CW and CCW directions.
  • Selectable speed units of measurement (RPM and °/s)

Password protection

  • Prevents unauthorized changes to test parameters.
Complete Kit

The TSTM(H)-DC(1/2)E test stands include the following accessories:

  • DC controller
  • Controller connection cable 
  • Indicator mounting kit 
  • Encoder cable 
  • Column cap with hardware 
  • Allen wrench set 
  • 4 Thumb screws for mounting indicator 
  • Power cord 
  • Base with hardware (TSTM)
  • 2 Mounting legs with hardware (TSTMH)
  • Additional column cap with hardware (TSTMH)
  • Resource CD/ Manual

Dimensions

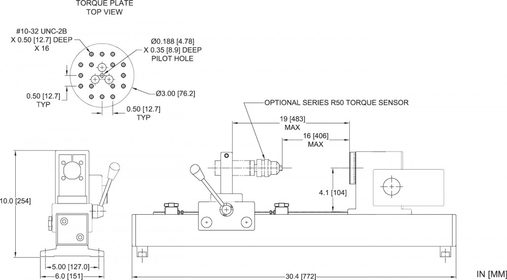
TSTM-DC
Dimensions-TSTM-DC


Dimensions of the TSTM-DC advanced vertical torque test stand,<br/>
all dimensions are in inch with [mm] behind.

TSTMH-DC
Dimensions-TSTMH-DC


Dimensions of the TSTMH-DC advanced horizontal torque test stand,<br/>
all dimensions are in inch with [mm] behind.

 
Dimensions-TSTM-DC


Dimensions for the Series DC4040 control panel,
all dimensions are in inch with [mm] behind.

Related Products

Model-3I Force/Torque Indicator


  • Interchangeable force and torque sensors through Plug & Test® technology (sensors are sold separately)
  • High-speed 2.000 Hz sampling rate
  • Ultra-compact size

More details

Model-3I Force/Torque Indicator

Model-5I Advanced Digital Force/Torque Indicator


  • Interchangeable force and torque sensors through, separately sold, Plug & Test® technology
  • High-speed 7.000 Hz sampling rate
  • USB, RS-232, Mitutoyo, and analog outputs

More details

Model-5I Advanced Digital Force/Torque Indicator

Model-7i Advanced Force/Torque Indicator


  • Interchangeable force and torque sensors through Plug & Test® technology (sensors are sold separately)
  • High-speed 14.000 Hz sampling rate
  • Continous data capture of up to 5.000 data points, at up to 14.000 Hz, downloadable to a PC
  • 5 units of measurement, plus Coefficient of Friction and user-defined unit with configurable name

More details

Model-7i Advanced Force/Torque Indicator

R50 Series Universal Torque Sensor with Jacobs chuck


  • Rugged aluminum housing
  • Unique Plug & TestTM connector holds all calibration and configuration data

More details

R50 Series Universal Torque Sensor with Jacobs chuck

R51 Series Universal Torque Sensors for bi-directional torque testing


  • Compatible with the Series 7i, 5i and 3i digital indicators
  • Unique Plug & TestTM connector holds all calibration and configuration data
  • Outstanding overload protection

More details

R51 Series Universal Torque Sensors for bi-directional torque testing

Accessories

Category Torque Accessories


Grips & Attachments for torque gauges and torque test stands. Universal torque grips and special attachments for specific applications.

More details

Category  Torque Accessories 0

Jacobs Chuck Grip For TST Jacobs Chuck Grips For TST Test Stand


  • Jacobs Chuck Grips For TST Test Stand

More details

Jacobs Chuck Grip For TST Jacobs Chuck Grips For TST Test Stand 126097

AC1004 Mounting Kit for 5I, 3I or TT03 to TS-Series Test Stands


  • Mounting Kit for 5I, 3I or TT03 to TS-Series Test Stands

More details

AC1004 Mounting Kit for 5I, 3I or TT03 to TS-Series Test Stands 126115

Mesurgauge / Mesurgauge plus Load & Travel Analysis Software


  • Sends data from a force or torque gauge and travel display to a PC for further analysis

More details

Mesurgauge / Mesurgauge plus Load & Travel Analysis Software 126514
Video
Downloads

Specifications

Maximum load11,5 Nm: TSTM-DC & TSTM-DC-2
22 Nm: TSTM-DC-1
Full capacity depends on speed setting
Speed range0,01 - 15 RPM (0,05 - 90°/s) TSTM-DC & TSTM-DC-1
0,04 - 60 RPM (0,2 - 360 °/s) TSTM-DC-2
Speed accuracy±0.2% of setting, ±0% variation with load
Throat104 mm
Manual adjustment12°/knob rev
Maximum slider travel394 mm
Slider travel rate26.6 mm / lever rev
Line voltage80-240 VAC 50/60 Hz
Rotational travel accuracy±0.7° / 0.002 rev.
Rotational travel repeatability0,1° / 0,01 rev.
Rotational travel resolution0,1° / 0,01 rev.

Buy Now

Products

Product
Price
Quantity
131900
TSTM-DCE - Advanced Motorized Torque Test Stand 11.5 Nm, vertical
€ 8.070,00 
131901
TSTMH-DCE - Advanced Motorized Torque Test Stand 11.5 Nm, horizontal
€ 7.811,00 
137444
TSTM-DC-1E - Advanced Motorized Torque Test Stand 22Nm, vertical
€ 8.997,00 
137450
TSTMH-DC-1E - Advanced Motorized Torque Test Stand 22Nm, horizontal
€ 8.997,00 
137451
TSTM-DC-2E - Motorized Torque Test Stand 11.5 Nm, vertical
€ 8.735,00 
137452
TSTMH-DC-2E - Motorized Torque Test Stand 11.5 Nm, horizontal
€ 8.735,00 
 
Accessories

Product
Price
Quantity
131904
TSF002 Horizontal/wall mounting kit for Series TSF and TST stands
€ 231,00 
132522
AC1108 Multi-function cable, gauge to test stand controller
€ 122,00 
131096
RSU100 Communication Adapter, RS-232 to USB
€ 122,00 
130824
Serial cable, test stand controller to PC
€ 27,00 
132517
AC1029 Axial Compensator
€ 208,00 
135109
SP-2624 - Speed range upgrade for TSTM(H)-DC, 60 RPM max
€ 656,00 
134210
SP-2496 - Torque capacity upgrade for TSTM(H)-DC, 200 lbFin / 22 Nm
€ 873,00 
All mentioned prices are excluding VAT & excluding shipment costs.
Availability: Available: 1 - 3 days, Delivery time: 1 - 3 weeks, special order request

Contact 
Request offer
Your information request is sent!
We'll contact you as soon as possible.
 Information