We Checkline Europe B.V. would like to use cookies and similar technologies in order to optimize your shopping experience and this requires your consent. By clicking on the "Accept cookies" button you agree to our use of cookies and similar technologies. If you do not agree, you can refuse the use or customize settings for the respective cookies by clicking on the button "Cookie Settings".You also have the possibility to specify that only certain cookies, which we use on our website, should be activated. This banner will be displayed until you have selected your cookie preferences. If you decide against the use of cookies, we will not use cookies nor similar technologies, except those that are essential for the proper functioning of the website. Click here for our privacy policy

FS06 Tension and Compression Force Sensors


High-Capacity Precision Sensors for Versatile Test Frame Applications

The FS06 Series has been designed to accommodate samples requiring larger grips or fixtures when used with the Checkline/Mark-10 F105, F305, F505 and F505H test frames. These high-performance sensors measure both tension and compression forces, with capacities ranging from 250 N up to 2.5 kN.

Equipped with Plug & Test® technology, the FS06 connects seamlessly to Series F105/305/505 test frames. All configuration and calibration data are stored internally on the sensor’s PCB, allowing true plug-and-play operation. Calibration can also be performed off-site using a Mark-10 Series 5I or 7I indicator in combination with the AC1083 adapter.

Key Features:

  • Wide Compatibility: Works with Mark-10 F105, F305, F505 and F505H force test frames.
  • Tension and Compression Measurement: Accurately measures bidirectional forces across a broad capacity range (250 N to 2.5 kN).
  • Plug & Test® Technology: Ensures seamless sensor recognition, automatic configuration and simplified interchangeability.
  • Smart Calibration Memory: All calibration and configuration data are stored on the internal PCB, allowing easy setup and consistent results.
  • Off-Site Calibration Option: Compatible with Mark-10 Series 5I and 7I indicators using the AC1083 adapter.
  • Robust Design: Ideal for larger and heavier grips or fixtures without compromising accuracy.
  • Certified Accuracy: Supplied with a NIST-traceable calibration certificate including data.
  • Warranty: 3-year manufacturer warranty included.

Key Benefits:

  • Reliable Performance: Consistent and precise force readings for both tension and compression testing.
  • Simple Integration: Plug-and-play setup eliminates complex configuration steps.
  • Reduced Downtime: Quick sensor replacement and field calibration capabilities improve productivity.
  • Flexible Application Range: Suitable for industrial, laboratory and quality control environments.

 

Contact us for more information or to request a quote. Our team will assist you in selecting the appropriate FS06 sensor configuration for your specific test frame and application requirements.

Features

  • Measurement Type: Tension and compression
  • Capacity Range: 250 N – 2.5 kN
  • Compatibility: Designed for use with Mark-10 F105, F305, F505 and F505H test frames
  • Construction: Rugged design suitable for larger grips and heavy fixtures
  • Accuracy Certification: Supplied with NIST-traceable calibration certificate including data
  • Mounting: Compatible with standard Mark-10 test frame fixtures
  • Warranty: 3 years manufacturer warranty
  • Technology: Plug & Test® smart sensor interface
  • Calibration Data: Stored internally on the sensor’s PCB for plug-and-play operation
  • External Calibration: Can be calibrated off-site using Mark-10 Series 5I or 7I indicators with AC1083 adapter

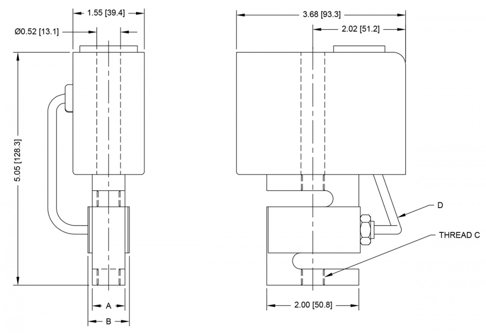
Dimensions

FS06 Dimensions
Dimensions-FS06 Dimensions


Model No.ABThread CD
FS06-500.46 [11.7]0.71 [18.0]1/4-28 UNF6.00 [152.4]
FS06-1000.46 [11.7]0.71 [18.0]1/4-28 UNF6.00 [152.4]
FS06-2000.46 [11.7]0.71 [18.0]1/4-28 UNF6.00 [152.4]
FS06-3000.9 [22.6]1.1 [27.9]1/2-20 UNF6.00 [152.4]
FS06-5000.9 [22.6]1.1 [27.9]1/2-20 UNF6.00 [152.4]
All sizes in Inch and [mm]
Capacity x Resolution
ModellbFozFgFkgFNkN
FS06-5050 x 0.02800 x 0.525000 x 1025 x 0.01250 x 0.1-
FS06-100100 x 0.051600 x 150000 x 2050 x 0.02500 x 0.2-
FS06-200200 x 0.13200 x 2-100 x 0.051000 x 0.51 x 0.0005
FS06-300300 x 0.24800 x 5-150 x 0.11500 x 11.5 x 0.001
FS06-500500 x 0.28000 x 5-250 x 0.12500 x 12.5 x 0.001
Related Products

Test stand with IntelliMESUR® F105 / F305 / F505 / F505H


  • Integrated Force Sensor: Provides a cable-free interface for the FS05 force sensor.
  • Integrated Touchscreen Control Panel: For setting up, running, and analysing data via the IntelliMESUR® control panel.
  • Integrated Motion Control and Data Collection: The Plug & Test® system allows seamless use of third-party load cells via the PTAF adapter.

More details

Test stand with IntelliMESUR® F105 / F305 / F505 / F505H

Test Stand with EasyMESUR® F105 / F305 / F505 / F505H


  • Integrated Force Sensor: Seamless interface for the FS05 force sensor without cables.
  • Integrated Touchscreen Control Panel: For setting up, running, and analysing data via the Easy MESUR® software.
  • Test Creation Wizards: Guides that assist the user throughout the configuration process.

More details

Test Stand with EasyMESUR® F105 / F305 / F505 / F505H
Downloads

Specifications

Accuracy:± 0.15% of full scale + indicator or test frame
Safe Overload:150% of full scale
Weight:FS06-50 – FS06-200: 0.8 kg
FS06-300 – FS06-500: 0.9 kg
Shipping weight:FS06-50 – FS06-200: 1.1 kg
FS06-300 – FS06-500: 1.2 kg

Buy Now

Products

Product
Price
Quantity
140343
FS06-50 Force sensor, 50 lbF / 800 ozF / 25 kgF / 25000 gF / 250 N
€ 1.290,00 
140344
FS06-100 Force sensor, 100 lbF / 1600 ozF / 50 kgF / 50000 gF / 500 N
€ 1.290,00 
140345
FS06-200 Force sensor, 200 lbF / 3200 ozF / 100 kgF / 1000 N / 1 kN
€ 1.290,00 
140346
FS06-300 Force sensor, 300 lbF / 4800 ozF / 150 kgF / 1500 N / 1.5 kN
€ 1.290,00 
140347
FS06-500 Force sensor, 500 lbF / 8000 ozF / 250 kgF / 2500 N / 2.5 kN
€ 1.290,00 
All mentioned prices are excluding VAT & excluding shipment costs.
Availability: Available: 1 - 3 days, Delivery time: 1 - 3 weeks, special order request

Contact 
Request offer
Your information request is sent!
We'll contact you as soon as possible.
 Information